본문 바로가기

Computer/Computer Structure

Pipeline CPU

 

#Pipeline CPU

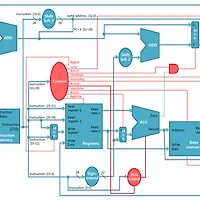
파이프라이닝은 여러개의 명령어가 중첩해 실행되는 구현기술이다. 오늘날 파이프라이닝은 프로세서를 빠르게 만드는 핵심 기술이다.

파이프라이닝은 순차적인 명령군 스트림에 있는 명령어 사이에서 병렬성을 추구하는 기술이다. 기본적으로 프로그래머에게 보이지 않는다는 장점이 있다.

 

 

 

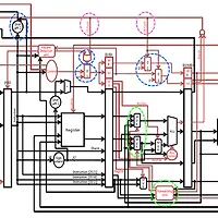
* Piplelined Single Cycle CPU

  

 

Code.zip

'Computer > Computer Structure' 카테고리의 다른 글

Mini Assembler  (0) 2013.06.08
Pipeline CPU with Hazards  (0) 2013.06.08
Multi Cycle CPU  (0) 2013.06.08
Single Cycle CPU  (0) 2013.06.08
DMAC - Top  (0) 2013.05.26